見て覚える高圧受電設備
3Dモデル
3Dモデル一覧
PAS
電力需給用計器用変成器
断路器
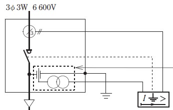
零相変流器
高圧交流真空遮断器
高圧カットアウト
計器用変圧器
変流器
直列リアクトル
高圧進相コンデンサ
限流ヒューズ付き高圧交流負荷開閉器
柱状変圧器
過去問題
問題一覧
令和6年度上期
令和5年度午後
令和5年度午前
令和4年度午後
令和4年度午前
令和3年度午後
令和3年度午前
令和2年度
令和元年度
平成30年度
平成29年度
平成28年度
平成27年度
平成26年度
PAS
PAS
図記号
地絡事故が起きた際に負荷開閉器を開放する。
過去問題
解答はイです。